AG旗舰厅(中国)官方网站官网AG旗舰厅

CN
0575-84069126
email
AG旗舰厅

JGT1000V/VH假捻变形机

JGT1000V/VH假捻变形机

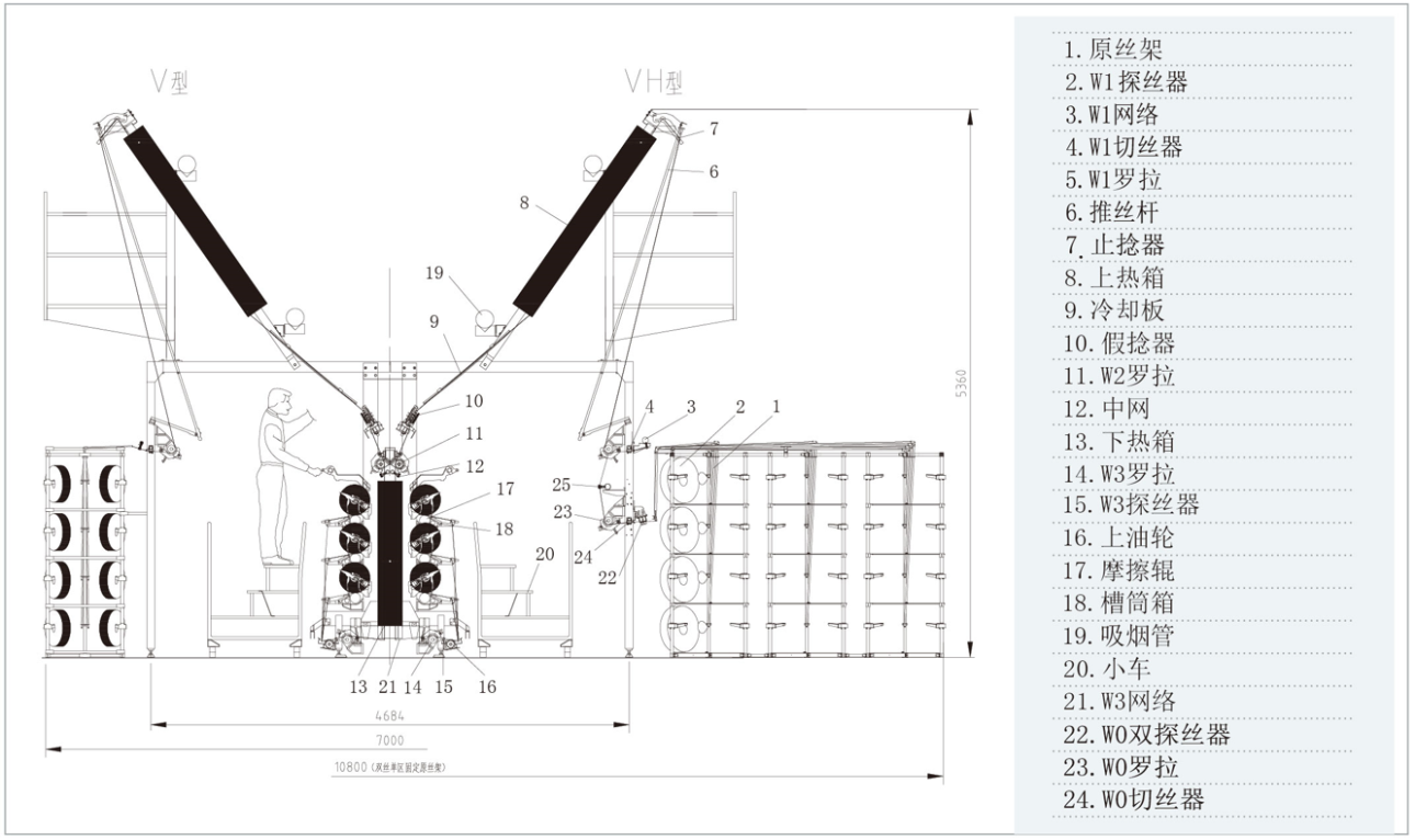
该机主要是将POY原丝(聚酯预取向丝),通过拉伸和假捻变形加工成具有低弹性能的假捻变形丝(DTY涤纶弹力丝),若在设备上选择增加网络部件还可以进行网络丝的加工。

JGT1000V/VH假捻变形机视频

捻变形机,俗称加弹机,该机主要是将POY原丝(聚酯预取向丝),通过拉伸和假捻变形加工成具有低弹性能的假捻变形丝(DTY涤纶弹力丝),若在设备上选择增加网络部件还可以进行不同品种网络丝的加工。 DTY网络丝:网络丝是指丝条在网络喷嘴中,经喷射气流作用,单丝互相缠结而呈周期性网络点的长丝。

该机主要是将POY原丝(聚酯预取向丝),通过拉伸和假捻变形加工成具有低弹性能的假捻变形丝(DTY涤纶弹力丝),若在设备上选择增加网络部件还可以进行网络丝的加工。

 

一、设备概况

该机主要是将POY原丝(聚酯预取向丝),通过拉伸和假捻变形加工成具有低弹性能的假捻变形丝(DTY涤纶弹力丝),若在设备上选择增加网络部件还可以进行网络丝的加工。

 

二、设备主要部件性能与特点

3.1全新的结构设计及控制模式,采用单轴单电机直接传动,取消了同步带及涨紧轮,减少传动步骤,提高传动效率,降低故障率。A/B两面可以相对独立运行,工艺可以分别调整设置,在同一设备中同时可以加工两种不同的品种,提高了设备利用率,实现一机多用化。

3.2整机共配备两道热箱,第一热箱(变形热箱)和第二热箱(定型热箱)均采用联苯气相加热法,温控屏显精度为±10C,并且具有超温报警自切原丝功能,进一步确保染色的均匀性,有效确保纱线品质。

3.3采用PLC控制系统,整机通过人机交流实现工艺调整,触摸屏显示及操作使得工艺设定简单化,同时可预设网络接口,根据用户的需要可以进行多机联网管理;

3.4采用优质的电器元件,确保设备在使用过程中运行更为稳定、可靠;

3.5采用叠盘式Ⅷ型假捻器,A/B两面独立龙带驱动,安装陶瓷导入和刀口导出盘,配置范围1-4-1至1-7-1可选。

图片1.png 

 

3.6 W1/W2/W3罗拉均采用皮辊式结构,铝合金皮辊架,压力均匀,其中W2带有分丝辊。 >

图片2.png 

 

3.7高速卷绕成形系统,带动程修正,成形优良,易于高速退绕,定重定长,最大卷装容量可达6kg。

图片3.png 

 

三、产品外形示意图

图片4.png 

 

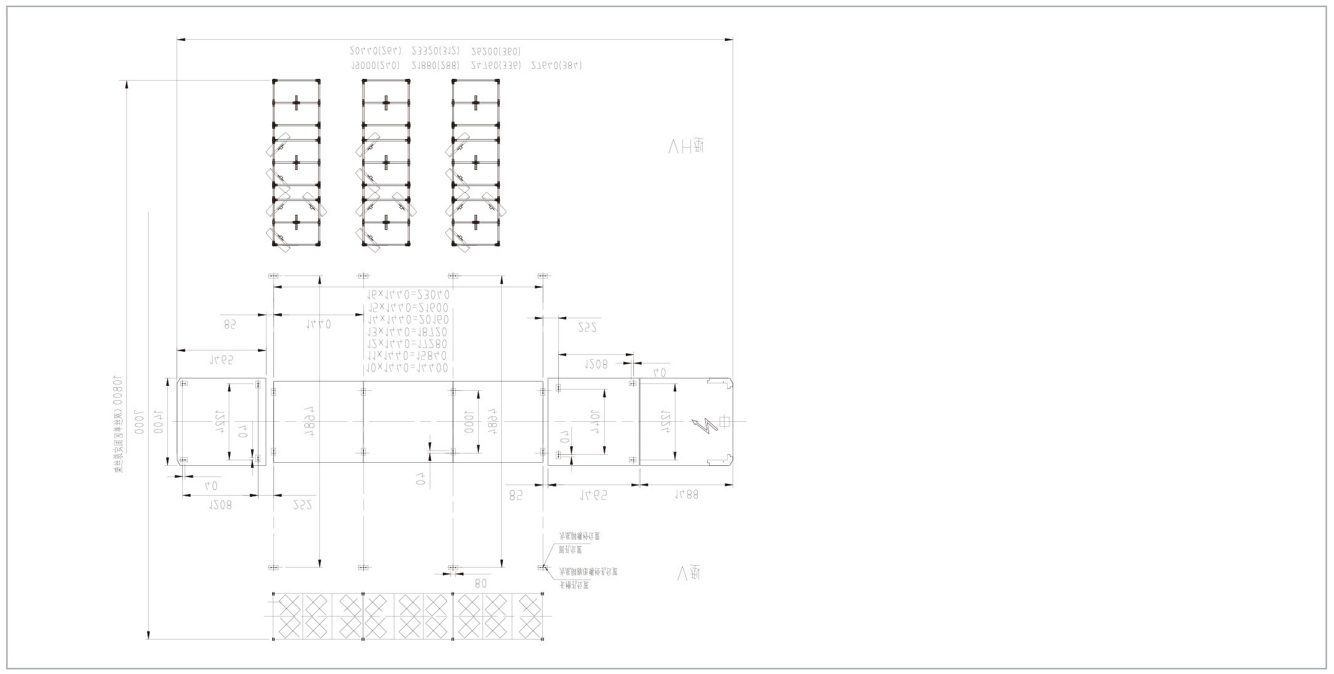
四、安装地脚图

图片5.png 

 

 

 

 

 

锭数                                           

264锭

288锭

312锭

336锭

360锭

384锭

节数                                         

11

12

13

14

15

16

锭距                                        

110mm

最高机械速度 

1000m/min

适纺原料及纤度   

聚酯55-222dtex(50-200Denier)

节距   

1440mm

假捻方式  

叠盘式Ⅷ型假捻器摩擦假捻

假捻装置最高转速  

18000 r/min

假捻方向 

S,Z可调

第一热箱(变形)    

联苯气相加热/2000mm

第二热箱(定型)   

联苯气相加热/1460mm

变形热箱温度范围  

160-250℃

定型热箱温度范围    

160-250℃(低温联苯为100-180℃)

冷却方式及长度 

冷却板自然冷却/1100mm

摩擦棍直径   

φ100mm

罗拉直径   

φ75mm

上油罗拉直径     

φ75mm

原丝最大尺寸    

φ435x250mm

最大卷装尺     

φ250x250mm

卷装标准重量   

5kg

卷取纸管规格   

φ69xφ57x290mm

装机功率分类                     

传动             

107.5kw

110.5kw

122.3kw

127kw

131kw

134kw

上热箱                 

74.8kw

81.6kw

88.4kw

95.2kw

102kw

108.8kw

下热箱              

26.4kw

28.8kw

31.2kw

33.6kw

36kw

38.4kw

辅助功率          

  about 6kw

总功率             

214.7kw

226.9kw

247.9kw

261.8kw

275kw

287.2kw

外形尺寸(配固定原丝架)   

20440x7020x5360mm

21880x7000x5360mm

23320x7000x5360mm

24760x7000x5360mm

26200x7000x5360mm

27640x7000x5360mm

 

 


JGT1000V/VH假捻变形机面板图

[list:title]
从现在开始
通过电子邮件向我们咨询或使用我们的联系方式。我们很乐意回答您的问题.
有关于精工科技纺织机械的问题吗?
通过电子邮件向我们咨询或使用我们的联系方式。
保持联系
AG旗舰厅