AG旗舰厅(中国)官方网站官网AG旗舰厅

CN
0575-84069126
email
AG旗舰厅

HKV151B(BI)型花式捻线机

HKV151B(BI)型花式捻线机

HKV151B(BI)型花式捻线机是一种适应性广、功能齐全的新型特种纱线纺纱机,其原料适用于各种化纤长丝、低弹丝、棉纱、晴纶及部分天然原料等,其花式成形采用微电脑及变频控制技术来完成,适用于纺制各种类型的花式纱线,如圈圈纱、竹节纱、波纹纱、多色结子纱等。

HKV151B(BI)型花式捻线机是一种适应性广、功能齐全的新型特种纱线纺纱机,其原料适用于各种化纤长丝、低弹丝、棉纱、晴纶及部分天然原料等,其花式成形采用微电脑及变频控制技术来完成,适用于纺制各种类型的花式纱线,如圈圈纱、竹节纱、波纹纱、多色结子纱等。

 

一、设备概况

HKV151B(BI)型花式捻线机是一种适应性广、功能齐全的新型特种纱线纺纱机,其原料适用于各种化纤长丝、低弹丝、棉纱、晴纶及部分天然原料等,其花式成形采用微电脑及变频控制技术来完成,适用于纺制各种类型的花式纱线,如圈圈纱、竹节纱、波纹纱、多色结子纱等。

 

二、产品特点    
1、摇开式锭子,操作简单,喂入量大。
2、各罗拉、锭子、假捻器、卷取单独变频控制速度,PLC程序控制,操作方便、工艺准确。
3、独一无二的梳节装置,拥有自主专利产权,生产竹节类产品明显产量提高一倍多,生产效率成倍提升。
4、三层纱架,适应更多原料喂入。

 

三、用户可选择部件    
四层纱架:适应更多原料喂入。

 

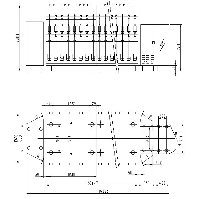
四、外形尺寸示意图

图片1.png 

 

 

 

 

 

 

 

类型

HKV151 B-I

HKV151 B

锭数

112锭

112锭

锭距

210㎜

210㎜

机型

双面单层

双面单层

适纺支数

3~40(Nm)

3~40(Nm)

装机功率

14.25(kw)

15.25(kw)

捻度范围

300~1600(T/M)

300~2400(T/M)

锭子转速

5000~12000(r/min),无级可调

8000~12000(r/min),无级可调

罗拉速度

5~27(m/min),无级可调

5~27(m/min),无级可调

捻向

S捻或Z捻

S捻或Z捻

上假捻器转速


6000~30000(r/min)

下假捻器转速

4600~23000(r/min)

4600~23000(r/min)

槽筒规格

φ81.5X176㎜

φ82.5X176㎜

成形筒子尺寸

φ200X152㎜

φ200X152㎜

卷绕形式

槽筒式卷绕

槽筒式卷绕

锭子驱动系统

无接头循环龙带

无接头循环龙带

整机尺寸

14300X1360X2150

14830X1360X2300

 

 


HKV151B(BI)型花式捻线机面板图

[list:title]
从现在开始
通过电子邮件向我们咨询或使用我们的联系方式。我们很乐意回答您的问题.
有关于精工科技纺织机械的问题吗?
通过电子邮件向我们咨询或使用我们的联系方式。
保持联系
AG旗舰厅