AG旗舰厅(中国)官方网站官网AG旗舰厅

CN
0575-84069126
email
AG旗舰厅

JGT1200假捻变形机

一、设备概况

该机主要是将聚酰胺(锦纶)POY原丝,通过拉伸和假捻变形加工成具有高弹性能的假捻变形丝(锦纶DTY弹力丝)。

 

二、设备主要部件性能与盘点

1、热箱

上热箱(变形热箱)采用联苯气相加热法,具有超温报警自切原丝功能。

 

2、传动系统

采用单轴单电机直接传动,A/B两面可以相对独立运行。

 

3、假捻器

采用叠盘式假捻器,A/B两面独立龙带驱动,安装陶瓷导入和导出盘,配置范围1-4-1至1-7-1可选,工作盘有PU盘及陶瓷盘两种规格可选。

图片1.png 

 

4、罗拉

W1/W2罗拉均采用皮辑式结构,铝合金皮辑架,W2带分丝银。

图片2.png 

 

5、卷绕系统

采用全新的筒管架及卷绕系统,三层独立上油槽,整体式上油棍。

图片3.png 


三、外形尺寸示意图

图片4.png 

 

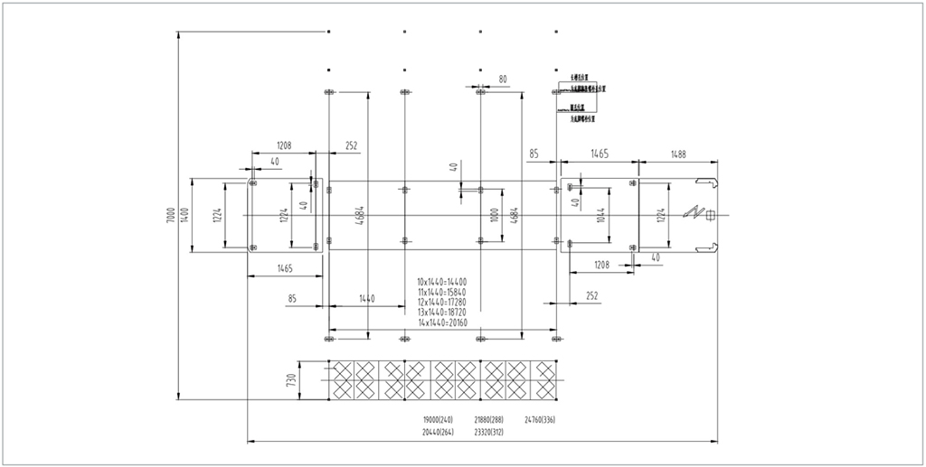
四、安装地脚图

图片5.png 

 

锭数

240 

264

288

312

336

节数

10

11

12

13

14

锭距

110mm

最高机械速度

1000m/min

适纺原料及纤度

聚酯胺(锦纶)22-222dtex(20-200Denier)

节距

1440   mm

假捻方式

叠盘式假捻器摩擦假捻

摩擦盘规格

Φ45 X6mm

假捻装置最高转速

18000r/min

假捻方向

S、Z可调

第一热箱(变形)

联笨气相加热2000 mm

变形热箱温度范围

160-250

冷却方式及长度

冷却板自然冷却1100mm

摩擦辊直径

Φ75 mm

罗拉直径

Φ75 mm

上油罗拉直径

Φ30 mm

原丝最大尺寸

Φ435x250 mm

最大卷装尺寸

Φ250x245 mm

卷装标准重量

5kg

卷取纸管规格

Φ69Xφ57x 290 mm



装机功率分类

传动

85Kw

96Kw

99Kw

111Kw

111Kw

上热箱

68Kw

74.8Kw

81.6Kw

88.4Kw

95.2Kw  

辅助功率

6Kw

总功率

159Kw

176.8Kw

186.6Kw

205.4Kw

212.2Kw

外形尺寸

配固定原丝架

19000X7000X5250

20440X7000X5250

21880X7000X5250

23320X7000X5250

24760X7000X5250

 

 

 

 

 

 

 

 

 

 

 

 

 

 

 

 

 

 

 

 

 

 

 

 

 

 

 

 


JGT1200假捻变形机面板图

[list:title]
从现在开始
通过电子邮件向我们咨询或使用我们的联系方式。我们很乐意回答您的问题.
有关于精工科技纺织机械的问题吗?
通过电子邮件向我们咨询或使用我们的联系方式。
保持联系
AG旗舰厅