AG旗舰厅(中国)官方网站官网AG旗舰厅

CN
0575-84069126
email
AG旗舰厅

JGT1200XN假捻变形机

JGT1200XN假捻变形机

该机主要是将聚酰胺(锦纶)POY原丝,通过拉伸和假捻变形加工成具有高弹性能的假捻变形丝(锦纶DTY弹力丝)。同时在设备上直接将氨纶丝与锦纶DTY丝复合,通过网络喷嘴,实现加弹与氨纶网络一步加工,最终加工得到锦纶空包纱。



JGT1200XN假捻变形机视频

捻变形机,俗称加弹机,该机主要是将POY原丝(聚酯预取向丝),通过拉伸和假捻变形加工成具有低弹性能的假捻变形丝(DTY涤纶弹力丝),若在设备上选择增加网络部件还可以进行不同品种网络丝的加工。 DTY网络丝:网络丝是指丝条在网络喷嘴中,经喷射气流作用,单丝互相缠结而呈周期性网络点的长丝。

该机主要是将聚酰胺(锦纶)POY原丝,通过拉伸和假捻变形加工成具有高弹性能的假捻变形丝(锦纶DTY弹力丝)。同时在设备上直接将氨纶丝与锦纶DTY丝复合,通过网络喷嘴,实现加弹与氨纶网络一步加工,最终加工得到锦纶空包纱。

 

一、设备概况

该机主要是将聚酰胺(锦纶)POY原丝,通过拉伸和假捻变形加工成具有高弹性能的假捻变形丝(锦纶DTY弹力丝)。同时在设备上直接将氨纶丝与锦纶DTY丝复合,通过网络喷嘴,实现加弹与氨纶网络一步加工,最终加工得到锦纶空包纱。

 

二、设备主要部件性能与特点

1、氨纶喂入装置

氨纶喂入装置采用单绽独立电机传动,每个氨纶丝由独立电机带动,AB面装置可独立控制,确保氨纶送丝稳定,牵伸均匀。

图片1.png 

 

2、W2X结构

采用双W2罗拉结构,提高网络质量,确保成纱品质。

图片2.png 

 

3、卷绕系统

采用全新的筒管架及卷绕系统,三层独立上油槽,整体式上油银。

图片3.png 

 

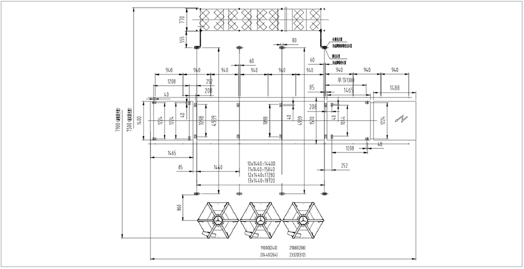
三、外形尺寸示意图

图片4.png 

 

四、安装地脚图

图片5.png 

 

锭数

240

264

288

312

节数

10

11

12

13

锭距

110mm

最高机械速度

1000m/min

适纺原料及纤度

聚酯胺(锦纶)22-222dtex(20-200Denier)

节距

1440   mm

假捻方式

叠盘式Ⅷ假捻器摩擦假捻

摩擦盘规格

Φ49.62 X6mm

假捻装置最高转速

18000r/min

假捻方向

S、Z可调

第一热箱(变形)

联笨气相加热2000 mm

变形热箱温度范围

160-250

冷却方式及长度

冷却板自然冷却1100mm

摩擦辊直径

Φ100 mm

罗拉直径

Φ75 mm

上油罗拉直径

Φ30 mm

氨纶喂入辊直径

Φ25 mm

氨纶牵伸比例范围

1.5-4倍

原丝最大尺寸

Φ435x250 mm

最大卷装尺寸

Φ250x245 mm

卷装标准重量

5kg

卷取纸管规格

Φ69Xφ57x 290 mm

装机功率分类

传动

106Kw

122Kw

126Kw

138.6Kw

上热箱

68Kw

74.8Kw

81.6Kw

88.4Kw

辅助功率

6Kw

总功率

180Kw

202.8Kw

213.6Kw

233Kw

外形尺寸

配固定原丝架

19000X7500X5300

20440X7500X5300

21880X7500X5300

23320X7500X5300

 

 

 

 

 

 

 


JGT1200XN假捻变形机面板图

[list:title]
从现在开始
通过电子邮件向我们咨询或使用我们的联系方式。我们很乐意回答您的问题.
有关于精工科技纺织机械的问题吗?
通过电子邮件向我们咨询或使用我们的联系方式。
保持联系
AG旗舰厅