• AG旗舰厅(中国)官方网站官网AG旗舰厅

    CN
    0575-84069126
    email
    AG旗舰厅

    JGT1200N假捻变形机

    JGT1200N假捻变形机

    该机主要是将聚酰胺(锦纶)POY原丝,通过拉伸和假捻变形加工成具有高弹性能的假捻变形丝(锦纶DTY弹力丝)。


    JGT1200N假捻变形机视频

    捻变形机,俗称加弹机,该机主要是将POY原丝(聚酯预取向丝),通过拉伸和假捻变形加工成具有低弹性能的假捻变形丝(DTY涤纶弹力丝),若在设备上选择增加网络部件还可以进行不同品种网络丝的加工。 DTY网络丝:网络丝是指丝条在网络喷嘴中,经喷射气流作用,单丝互相缠结而呈周期性网络点的长丝。

    该机主要是将聚酰胺(锦纶)POY原丝,通过拉伸和假捻变形加工成具有高弹性能的假捻变形丝(锦纶DTY弹力丝)。

     

    一、设备概况

    该机主要是将聚酰胺(锦纶)POY原丝,通过拉伸和假捻变形加工成具有高弹性能的假捻变形丝(锦纶DTY弹力丝)。

     

    二、设备主要部件性能与特点

    1、热箱

    上热箱(变形热箱)采用联苯气相加热法,具有超温报警自切原丝功能。


    2、传动系统

    采用单轴单电机直接传动,A/B两面可以相对独立运行。

     

    3、假捻器

    采用叠盘式假捻器,A/B两面独立龙带驱动,安装陶瓷导入和导出盘,配置范围1-4-1至1-7-1可选,工作盘有PU盘及陶瓷盘两种规格可选。

    图片1.png 

     

    4、罗拉

    W1/W2罗拉均采用皮辑式结构,铝合金皮辑架,W2带分丝银。

    图片2.png 

     

    5、卷绕系统

    采用全新的筒管架及卷绕系统,三层独立上油槽,整体式上油棍。

    图片3.png 

     

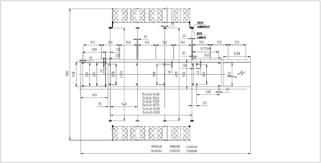
    三、外形尺寸示意图

    图片4.png 

     

    四、安装地脚图

    图片5.png 

     

    锭数

    240

    264

    288

    312

    336

    360

    节数

    10

    11

    12

    13

    14

    15

    锭距

    110mm

    最高机械速度

    1000m/min

    适纺原料及纤度

    聚酯胺(锦纶)22-222dtex(20-200Denier)

    节距

    1440   mm

    假捻方式

    叠盘式Ⅷ假捻器摩擦假捻

    摩擦盘规格

    Φ49.62 X6mm

    假捻装置最高转速

    18000r/min

    假捻方向

    S、Z可调

    第一热箱(变形)

    联笨气相加热2000 mm

    变形热箱温度范围

    160-250

    冷却方式及长度

    冷却板自然冷却1100mm

    摩擦辊直径

    Φ100 mm

    罗拉直径

    Φ75 mm

    上油罗拉直径

    Φ30 mm

    原丝最大尺寸

    Φ435x250 mm

    最大卷装尺寸

    Φ250x245 mm

    卷装标准重量

    5kg

    卷取纸管规格

    Φ69Xφ57x 290 mm




    装机功率分类

    传动

    85Kw

    96Kw

    99Kw

    111Kw

    111Kw

    111Kw

    上热箱

    68Kw

    74.8Kw

    81.6Kw

    88.4Kw

    95.2Kw  

    102Kw

    辅助功率

    6Kw

    总功率

    159Kw

    176.8Kw

    186.6Kw

    205.4Kw

    212.2Kw

    219Kw

    外形尺寸

    配固定原丝架

    19000X7000X4950

    20440X7000X4950

    21880X7000X4950

    23320X7000X4950

    24760X7000X4950

    26200X7000X4950

     

     

     


    JGT1200N假捻变形机面板图

    [list:title]
    从现在开始
    通过电子邮件向我们咨询或使用我们的联系方式。我们很乐意回答您的问题.
    有关于精工科技纺织机械的问题吗?
    通过电子邮件向我们咨询或使用我们的联系方式。
    保持联系
    AG旗舰厅