AG旗舰厅(中国)官方网站官网AG旗舰厅

CN
0575-84069126
email
AG旗舰厅

JGT1000X假捻变形机

JGT1000X假捻变形机

该机主要是将POY原丝(聚酯预取向丝),通过拉伸和假捻变形加工成具有低弹性能的假捻变形丝(DTY涤纶弹力丝),同时在机器上直接将氨纶丝与DTY丝复合,通过网络喷嘴,实现加弹与氨纶网络一步加工。

JGT1000X假捻变形机视频

捻变形机,俗称加弹机,该机主要是将POY原丝(聚酯预取向丝),通过拉伸和假捻变形加工成具有低弹性能的假捻变形丝(DTY涤纶弹力丝),若在设备上选择增加网络部件还可以进行不同品种网络丝的加工。 DTY网络丝:网络丝是指丝条在网络喷嘴中,经喷射气流作用,单丝互相缠结而呈周期性网络点的长丝。

该机主要是将POY原丝(聚酯预取向丝),通过拉伸和假捻变形加工成具有低弹性能的假捻变形丝(DTY涤纶弹力丝),同时在机器上直接将氨纶丝与DTY丝复合,通过网络喷嘴,实现加弹与氨纶网络一步加工。

一、设备概况

该机主要是将POY原丝(聚酯预取向丝),通过拉伸和假捻变形加工成具有低弹性能的假捻变形丝(DTY涤纶弹力丝),同时在机器上直接将氨纶丝与DTY丝复合,通过网络喷嘴,实现加弹与氨纶网络一步加工。

 

二、设备主要部件性能与特点

1、氨纶喂入装置

氨纶喂入装置采用单锭独立电机传动,每个氨纶丝由独立电机带动,AB面装置可独立控制,确保氨纶送丝稳定,牵伸均匀。

图片1.png 

 

2、W2x结构

采用双W2罗拉结构,提高网络质量,确保成纱品质。

图片2.png 

 

3、共有两种原丝架可供用户选择,固定式与旋转式两种。

图片3.png 

 

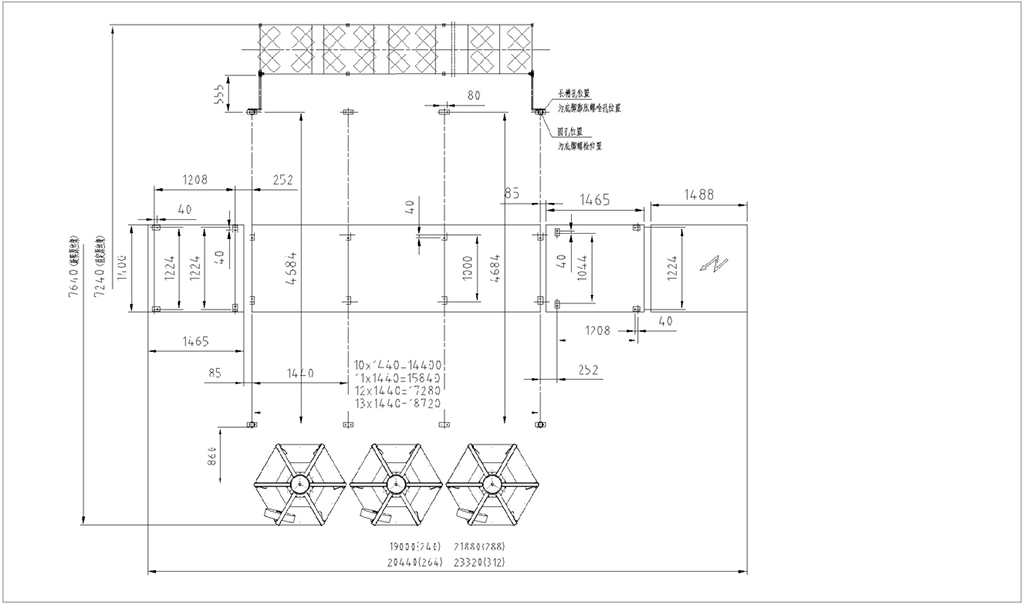
三、外形尺寸示意图

图片4.png 

 

四、安装地脚图

图片5.png 

 

 

 

锭数

240

264

288

312

节数

10

11

12

13

锭距

110mm

最高机械速度

1000m/min

适纺原料及纤度

 聚酯33-222dtex30- 200Denier

节距

    1440mm

假捻方式

叠盘式Ⅷ型假捻器摩擦假捻

假捻装置最高转速

18000 r/min

假捻方向

S,Z可调

第一热箱(变形)

联苯气相加热/2000mm

第二热箱(定型)

联苯气相加热/1460mm

变形热箱温度范围

160-250

定形热箱温度范围

160-250℃(低温联苯为100-180℃)

冷却方式和长度

冷却板自然冷却/1100mm

摩擦辊直径

Φ100mm

罗拉直径

Φ75mm

上油罗拉直径

Φ75mm

氨纶喂入辊直径

Φ25mm

氨纶牵伸比例范围

1.5-4

原丝最大尺寸

Φ435×250mm

最大卷装尺寸

Φ250×250mm

卷装标准重量

    5kg

卷取纸管规格

Φ69×Φ57×290mm

 

装机功率分类

传动

114.1kw

 133.06kw

133.96kw

154.54kw

上热箱

68 kw

74.8kw

81.6kw

88.4kw

下热箱

24 kw

26.4kw

28.8kw

31.2kw

辅助功率

6kw

总功率

212.1kw

240.3kw

250.4kw

280.14kw

外形尺寸

 

固定原丝架

19000×7240×5700 mm

20440×7240×5700mm

21880×7240×5700mm

23320×7240×5700mm

旋转原丝架

19000×7640×5700mm

20440×7640×5700mm

21880×7640×5700mm

23320×7640×5700mm

 

 


JGT1000X假捻变形机面板图

[list:title]
从现在开始
通过电子邮件向我们咨询或使用我们的联系方式。我们很乐意回答您的问题.
有关于精工科技纺织机械的问题吗?
通过电子邮件向我们咨询或使用我们的联系方式。
保持联系
AG旗舰厅